181 3392 2162
当前位置: 首页 > 探头学院 > 技术专区
技术专区
 

侧电流怎么测?高侧 / 低侧电流测量方法、工具与实操全攻略

发布:西安普科科技
浏览次数:

在电路调试、设备维护、电源管理及工业控制中,侧电流(高侧 / 低侧电流)测量是核心技术环节。侧电流指电源与负载之间(高侧)或负载与地之间(低侧)的回路电流,精准测量可判断设备负载状态、排查短路 / 过载故障、优化能效。本文从原理、工具、实操步骤、选型对比到注意事项,全面解析侧电流测量方法,覆盖电子研发、工业现场、家电维修等场景。


一、侧电流测量基础:高侧 vs 低侧

1. 什么是高侧 / 低侧电流?

低侧电流(Low-Side):测量点位于负载与接地端之间,是最常用的回路电流测量方式。

电路结构:电源正极→负载→测量点(分流电阻 / 传感器)→地

优势:共模电压接近 0V,电路设计简单,普通运放 / 仪表即可测量

缺点:负载地电位被抬高,易干扰其他接地电路;无法检测负载对地短路故障

高侧电流(High-Side):测量点位于电源正极与负载之间。

电路结构:电源正极→测量点(分流电阻 / 传感器)→负载→地

优势:负载直接接地,无地电位干扰;可精准检测负载短路、接地故障

缺点:共模电压接近电源电压,需高压耐受、高共模抑制比(CMRR)的测量器件

2. 侧电流测量核心原理

所有侧电流测量均基于两大物理原理:

欧姆定律(电阻分流法):串联已知精密电阻(分流器),测量两端电压 → I=V/R

电磁感应 / 霍尔效应(非接触法):检测电流产生的磁场,转换为电压信号(无需断开电路)


二、侧电流测量常用工具与方法

(一)万用表串联法(低侧 / 小电流首选)

适用场景:电路板低压直流侧电流(≤10A)、电子研发调试、家电小电流检测工具:数字万用表(DCA/ACA 电流档)实操步骤:

断电,断开待测侧电流回路(低侧:负载与地之间;高侧:电源与负载之间)

万用表调至电流档(直流选 DCA,交流选 ACA),预估电流选大量程(防过载)

红表笔接A/mA 孔,黑表笔接 COM;串联接入断开回路(直流注意极性:红接高电位)

通电,待读数稳定后记录;超量程调高档位,读数过小换小量程提升精度优缺点:成本低、精度高;需断开电路,大电流 / 高压场景不安全


4752920cdfecb09b938fb0d5f5734dd6~tplv-be4g95zd3a-image.png

(二)钳形表法(非接触、工业现场首选)

适用场景:交流侧电流、大电流(≥5A)、工业配电、电机回路、无需断电测量工具:交流钳形表 / 交直流钳形表(霍尔型)实操步骤:

钳口调至电流模式(AC/DC),选合适量程

单根钳住待测侧导线(低侧 / 高侧相线),禁止同时钳零线 + 火线(电流抵消)

闭合钳口,待读数稳定后记录;小电流可导线绕钳口 N 匝,读数 ÷N 为实际值优缺点:非接触、不断电、安全便捷;直流需霍尔型钳表,精度略低于串联法


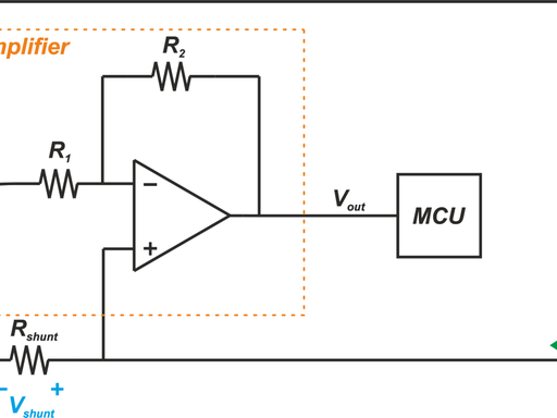
(三)分流电阻 + 示波器 / 万用表(高精度侧电流)

适用场景:高频瞬态侧电流、波形分析、高精度直流 / 交流、高低侧均可工具:精密分流电阻(mΩ 级)、示波器 / 高精度万用表、差分探头实操步骤(低侧为例):

串联精密分流电阻(如 0.01Ω/1%)于负载与地之间(低侧)

示波器通道接分流电阻两端(差分测量,消除共模干扰)

通电,测量电压降 V → 侧电流 I=V/R(如 V=0.1V,R=0.01Ω → I=10A)

示波器可捕获瞬态浪涌、谐波波形,分析动态特性优缺点:精度极高、可测波形;需串联电阻、破坏原电路,大电流需考虑功耗


侧电流怎么测?高侧 / 低侧电流测量方法、工具与实操全攻略(图2)


(四)霍尔电流传感器(高低侧通用、工业自动化)

适用场景:高低侧电流、交直流、高压隔离、闭环控制、长期监测工具:开环 / 闭环霍尔传感器(隔离型、高 CMRR)实操步骤:

传感器串联接入侧电流回路(高侧 / 低侧均可),供电(5V/12V)

输出端接万用表 / PLC / 示波器(输出电压 / 电流与侧电流成正比)

隔离耐压可达2.5kV~5kV,适配高压系统侧电流测量优缺点:隔离安全、高低侧通用、响应快;成本高于分流器,需外部供电

c31447f4-a5b6-482f-973c-76bddde44f9e.jpg_1180xaf.jpg


(五)电流互感器(CT,交流高侧 / 工业大电流)

适用场景:工频交流侧电流、高压大电流(≥100A)、工业配电、电能计量工具:电流互感器(变比如 1000:1、2000:1)、电流表实操步骤:

互感器初级套住高侧相线(不断电),次级接电流表

侧电流 I = 电流表读数 × 变比(如变比 1000:1,读数 0.5A → I=500A)注意:次级严禁开路(高压危险),必须接负载优缺点:非接触、隔离、大电流适配;仅测交流,低频 / 直流无效

侧电流怎么测?高侧 / 低侧电流测量方法、工具与实操全攻略(图4)


(六)罗氏线圈(高频交流、瞬态侧电流)

适用场景:高频交流、脉冲侧电流、大电流、不规则导体工具:罗氏线圈 + 积分器原理:空心线圈感应电流磁场,输出微分信号,经积分器还原侧电流波形优势:无磁芯饱和、带宽宽(1Hz~1MHz)、柔性适配粗电缆缺点:仅测交流,需积分器,成本较高


22.png


三、高侧 vs 低侧电流测量:方法选型对比表


微信图片_2026-04-09_091619_142.png


四、侧电流测量实操注意事项

安全第一:高压(≥36V)侧电流测量需戴绝缘手套、断电操作;电流互感器次级严禁开路

量程选择:未知电流先选最大量程,再逐步下调,避免仪表过载损坏

极性与方向:直流侧电流注意表笔 / 传感器方向;钳表箭头与电流方向一致

精度提升:

分流器选低温漂、高精度(0.1%~1%)电阻

高侧测量用差分探头 / 高 CMRR 传感器,抑制共模干扰

导线绕匝法提升小电流(<1A)测量精度

避免干扰:远离强磁场、大电流导线;屏蔽线连接传感器与仪表

功耗考量:大电流侧电流分流器需选低阻值、高功率(如 1mΩ/10W),减少发热


五、总结:侧电流测量方法快速选择

新手 / 小电流 / 低压:低侧用万用表串联,简单精准

工业 / 大电流 / 不断电:交流用钳形表 / CT,交直流用霍尔传感器

高精度 / 波形分析:分流电阻 + 示波器(高低侧均可)

高压 / 故障检测:高侧霍尔传感器,隔离安全、可测短路

高频 / 瞬态:罗氏线圈 / 高频霍尔探头

侧电流测量无绝对最优方案,需结合电流类型(交直流)、大小、电压等级、场景(研发 / 现场)、精度需求综合选型。掌握以上方法,可覆盖 90% 以上侧电流测量需求,保障设备安全运行与性能优化。

以上内容由普科科技/PRBTEK整理分享, 西安普科电子科技有限公司致力于示波器测试配附件研发、生产、销售,涵盖产品包含电流探头、差分探头、高压探头、无源探头、罗氏线圈、电流互感器、射频测试线缆及测试附件线等。致力于成为电子配附件国产化知名品牌;全面系统解决电子测试测量行业仪器附配件价格高、货期长、品类不全的三大痛点。为千万电子工程师彻底打通电子测试的“最后一厘米”!更多信息,欢迎登陆官方网站进行咨询:https://www.prbtek.cn/


2026-04-09
相关仪器
热门搜索

客服
热线

18133922162
7*24小时客服服务热线

关注
微信

官方客服微信

获取
报价

顶部